石灰料仓

  • 所属分类 :
    石灰料仓
  • 浏览次数 : ...
  • 发布时间 : 2025-12-27
  • 详细介绍

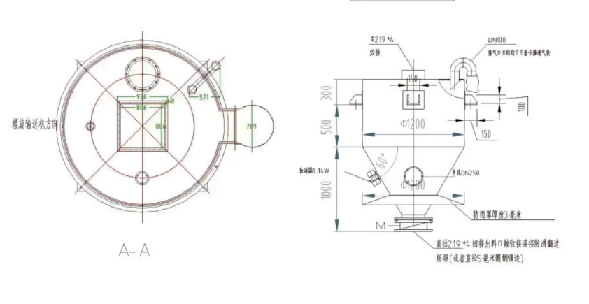
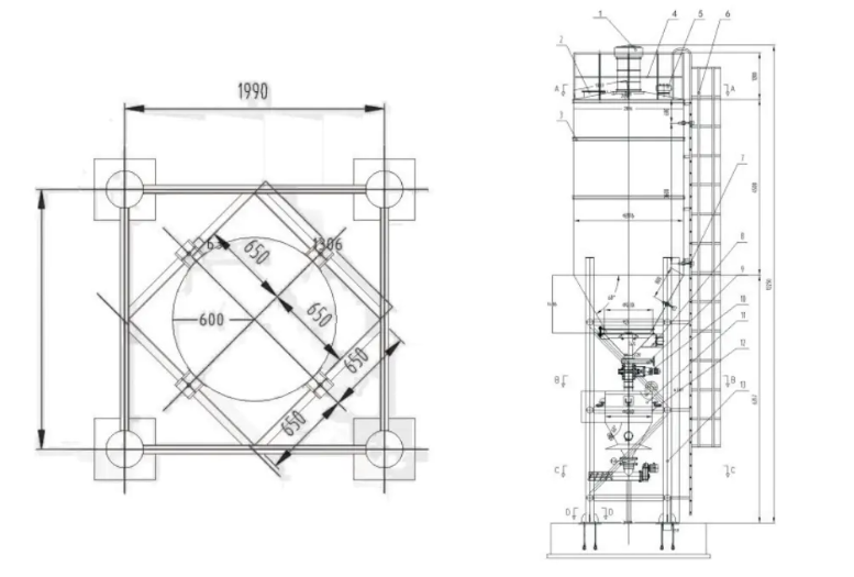
石灰料仓储药量大(20~150m’),全密闭设计,气力输送上料,机械破拱并可实现精确投加。可匹配溶解槽得到一定浓度的石灰乳液,无需专人值守,可大幅减少用工和操作工的劳动强度。

产品特点
适用于大量使用干粉化学品的场合;
国由粉料输送车直接气力输送上料,无粉尘外溢;
■标配:仓底振动防起拱装置;
■标配:仓顶除尘器;
■标配:粉料计量和输送装置;
标准材质:碳钢环氧防腐;
可选:进水控制组件、溶解槽和搅拌机等;可选:称重料斗分批投料;
可选:整体称重控制。

ScreenShot_2025-12-27_100209_176

ScreenShot_2025-12-27_100157_082

本文网址 : https://dzguanhao.com/product/177.html
标签 :

解永振15953432127          

田春婷15153404455       

颜亮13205341022

候明月18505448301   

张鑫18505448637

地址:山东省德州市德城区广驰产业园

网址:http://www.dzguanhao.com

德州冠浩机械设备有限公司

解永振15953432127邮箱 :279013309@qq.com                 

田春婷15153404455邮箱:15153404455@163.com          

颜亮13205341022邮箱:13205341022@163.com               

候明月18505448301邮箱:244452202@qq.com   

张鑫18505448637邮箱:115484792@qq.com  

地址:山东省德州市德城区广驰产业园

网址:http://www.dzguanhao.com

Copyright (c)2025-2028 版权所有:德州冠浩机械设备有限公司鲁ICP备2026001686号-1
All Rights Reserved